手動式多路DFS60換向閥結構、性能等特點
手動式多路DFS60換向閥結構、性能等特點
1 概述
我廠工程技術人員根據市場需求、綜合國內外多種手動式多路的結構、性能等特點、搏采眾長,開發研制了一種結構獨特、性能可靠、使用壽命長的新型手動式多路換向閥,閥門經試驗、測試各項性能指標均達到國內先進水平。
2 技術參數
公稱流量:60L/min
公稱壓力:10MPa
卸載壓力:≤0.3MPa
3 結構簡述
見圖 1 、圖 2

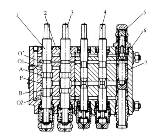
圖 1 DFS60 多路閥結構圖(1.單作用滑閥 2.左閥法 3.雙作用滑閥 4.閥桿 5.安全閥總成 6.右閥法 7.回油閥)

圖 2 平衡式錐閥簡圖(1.錐閥 2.鋼球 3.閥桿)
DFS60 型多路換向閥由左閥片和右閥片組合而成,兩閥片之間油道均裝有 O 形圈密,手動式多路DFS60換向閥結構、性能等特點左閥片主要由一路設有液控單向閥的滑閥式單作用換向閥和一路滑閥式雙作用換向閥組成,右閥片由控制閥采用平衡式錐閥結構的兩路單作用換向閥和安全閥、回油閥等件組成。
4 工作原理
見圖 1 、圖 2、圖 3

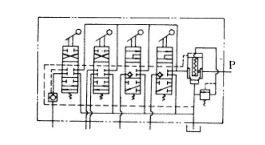
圖 3 液壓原理圖
該閥具有“中立”、“提升”、“下降”3 個位置,圖 1 所示位置為中立位置,中立位置時各液壓缸處于保壓狀態。此時回油閥上腔通回油,泵輸出的壓力油流經回油閥阻尼小孔,使回油閥上下兩腔產生壓力降,回油閥上腔壓力低于下腔壓力、回油閥開啟、泵處于低壓卸載狀態。該閥沒有先導式安全閥對液壓系統起安全保護作用,回油閥也是先導式安全閥的主閥。各路換向閥工作情況分別介紹如下。
(1)左閥片滑閥式換向閥(見圖 1、圖 3)
a. 上升位置
操縱手柄使滑閥向下移動至上升位置,此時回油道 O· 被閥臺肩切斷,回油關閉,系統建壓且 P、A 腔接通,B、O2 腔接通。
雙作用滑閥:壓力油 P → A → 液壓紅下腔,活塞桿上升。液壓缸上腔油液 B→ O2 → 回油口 → 油箱。
單作用滑閥:壓力油 P→ A → 單向閥 → 液壓缸,柱塞桿上升。
b. 中立位置
此時 A、B 腔被滑閥臺肩封死,液壓缸處于保壓狀態,回油上腔通回油,回油閥開啟,泵處于低壓御載狀態。
c. 下降位置
操縱手柄使滑閥向上移動至下降位置、此時 P、B 腔接通,A、O1 腔接通,回油道 O· 被滑閥臺肩切斷,回油閥關閉。
雙作用滑閥:壓力油 P → B → 液壓缸上腔,活塞桿下降。液壓缸下腔油液 A → O1 回油口 → 油箱。
單作用滑閥:壓力油 P → B → 液控柱塞下腔,推動液控柱塞向上打開單向閥,液壓缸油液 → 單向閥 A。